Поговорим про УНЧ - предварительные, оконечные, полные, любые. Главное, чтобы звук усиливали.
Ответить

Мелкие вопросы по УНЧ.

Пт янв 16, 2026 00:03:44

Доброго времени форумчане

В руки попал китайский микрофон подешёвке, но у него не хватает усиления, только если накрутить через внешнюю карту
могли бы подсказать как можно было бы это исправить
Вложения
IMG_20260115_17.jpg
обратная
(212.29 KiB) Скачиваний: 81
IMG_20260115.jpg
лицевая
(214.93 KiB) Скачиваний: 80

Re: Мелкие вопросы по УНЧ.

Пт янв 16, 2026 10:17:24

А много ли не хватает ?

Мелкие вопросы по УНЧ.

Пт янв 16, 2026 15:39:55

Немного, 20-30% от исходного сигнала добавить и было бы отлично

Re: Мелкие вопросы по УНЧ.

Пт янв 16, 2026 16:28:41

а какой выход у этого микрофона. обычный джек?

Re: Мелкие вопросы по УНЧ.

Пт янв 16, 2026 17:03:21

XLR с 48V, на каком то фото скорее всего видно подписанные выводы

Re: Мелкие вопросы по УНЧ.

Пт янв 16, 2026 20:00:06

:tea: Что то , если посмотреть на плату , такое впечатление , как будто ее 100 ваттным паяльником паяли .
Слева две детали большие , и справа снизу транзистор как будто обугленный .
Я не могу дать дупля , это новый микрофон или БУ мутное ?
По идее если звуковуха или микшер с нужным фантомным питанием , усиление должно быть с избытком .
Конкретики полной в данном вопросе не сказано .

Re: Мелкие вопросы по УНЧ.

Сб янв 17, 2026 22:16:58

Это новый микрофон с китая заказаный с большой скидкой.
Он полностью рабочий и по сей день, питание на него приходит стабильно 48 вольт.
На другом среднебюджетном микрофоне все отлично работает

Re: Мелкие вопросы по УНЧ.

Вс янв 18, 2026 05:55:27

Это новый микрофон с китая заказаный с большой скидкой.

Ссылку на этот микрофон ?
Где его посмотреть ?

Re: Мелкие вопросы по УНЧ.

Вс янв 18, 2026 08:01:04

...Разрисовать схему встроенного усилителя и изменить номиналы цепи ООС, чтоб получить нужное усиление (если, конечно, микрофон не из выбраковки, с дохлым капсюлем...)

Re: Мелкие вопросы по УНЧ.

Вс янв 18, 2026 08:50:47

Тут есть такой момент. Этот микрофон возможно, и имеет нормированное усиление. Поскольку не имеет регулятора усиления. Вон у него навесным монтажом несколько деталей стоят в тракте усиления.

А вот микрофоны с регулятором усиления могут и перебрать нормированный уровень, если выкрутить усиление до отказа.
И возможно ТС и сравнивает этот микрофон с выкрученным до отказа.

И тогда лучше добавить усиление в самом усилителе. Возможно, в нем каскад усиления для микрофонной линии ещё ввести.

Re: Мелкие вопросы по УНЧ.

Пн фев 02, 2026 11:31:05

Мелкий вопрос возник
как вы думаете, имеет ли смысл менять коррекцию.
сейчас на меандре с частотой 20кГц наблюдается вот такой завал фронтов.
это примерно соответствует скорости нарастания 7в/мкс

Изображение

имеет ли смысл сдвигать коррекцию в более высокочастотную область?
в принципе, я вообще ее отключал. Стабильность усилителя не теряется

Re: Мелкие вопросы по УНЧ.

Пн фев 02, 2026 13:59:55

Если можно, то стоит . А если удастся догнать до 20 в/мкс, это будет даже отлично.

Только в чем есть большие сомнения.

Re: Мелкие вопросы по УНЧ.

Пн фев 02, 2026 15:29:31

Муркиз писал(а):А если удастся догнать до 20 в/мкс, это будет даже отлично.
да. задачка получить 20в/мкс не из простых.
Сейчас она упирается в ОУ.
Я вчера смог выжать 13.5. а это уже предел для NE5534.
Есть еще идея использовать OPA1641 у которых максимум 20.

Вчера они приехали, думаю к выходным соберу еще один прототип, посмотрю, как будет работать.

Re: Мелкие вопросы по УНЧ.

Пн фев 02, 2026 15:46:22

схему в студию

Добавлено after 3 minutes 36 seconds:
скорость нарастания ОУ немного вне контекста, если после ОУ идет втупую повторитель, то она напрямую играет роль, а в случае, когда идет дополнительное усиление по напряжению, уже роли эта самая скорость нарастания не играет

также если втупую повторитель, но ОУ со следящим питанием, которое идет на одном DC смещении от выхода, на выходе ОУ относительно его шин питания нету скорости нарастания также

Re: Мелкие вопросы по УНЧ.

Пн фев 02, 2026 22:37:07

as265 писал(а):если после ОУ идет втупую повторитель
Так и есть.
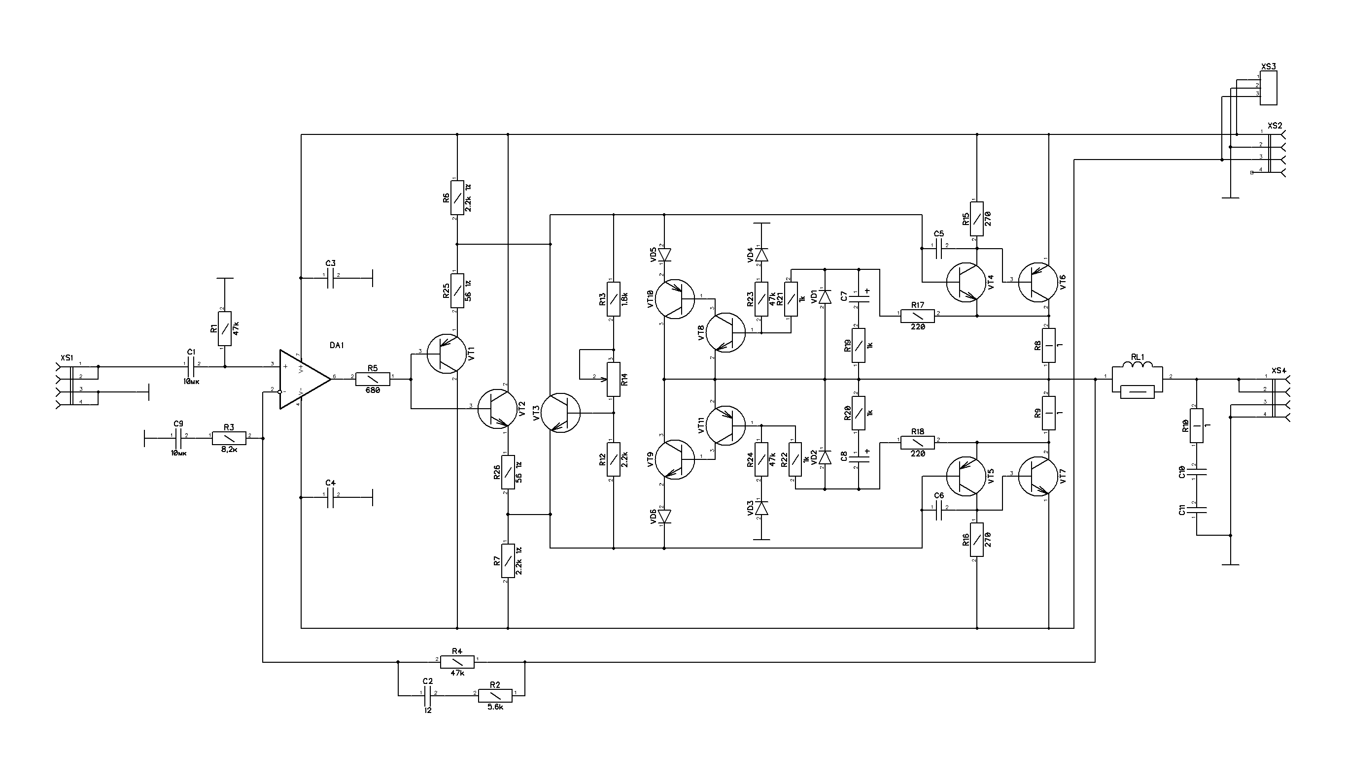
Это переработанный под наушники "сфероконь"

Изображение

С5 и С6 не установлены. Просто при разводке добавил на плату дорожки. на всякий пожарный
Разговор идет про цепочку ООС. Картинку выше дает вот именно эта цепь с 12пф конденсатором

Микросхема NE5534. (тестировал также на uA741, TL071, 081 и OPA134)
транзисторы в аудиотракте: 2SC1815 2SA1015 т.к. малошумящие
Оконечники. BD139 BD140 на одной плате и КТ816Г, КТ817Г на другой (я на ней защиту тестирую, КТ мощнее и если что их не так жалко)
Транзисторы в защите BC847 и BC857 (846 856 на другой)

Добавлено after 5 hours 57 minutes 15 seconds:
UPD добавить коррекцию в драйверы всё же пришлось 22 и 47p соответственно.

Re: Мелкие вопросы по УНЧ.

Ср фев 04, 2026 19:27:22

для ушей можно выходной каскад а-ля JLH сделать, каждый транзистор будет мало рассеивать, и сама схема будет иметь ограничение тока из своей структуры
Изображение
питание много не делать, смысла нету, ток покоя миллиампер 50, амплитуда без отсечки вольт 5 будет

стоит обратить внимание на q4, он PNP bc857c и эмиттером вверх, то есть это повторитель

и на выходе те же bd139

это, конечно, все надо еще макетировать, и сам ОУ согласно усилению, если схема повторитель, то скорректированный повторителем можно, а если схема с доп усилением, то уже другое, но я чет думаю, что тут усиление излишне, потому что 2 вольта на наушники это минус уши считай оглох

Добавлено after 1 minute 56 seconds:
транзисторы в аудиотракте: 2SC1815 2SA1015 т.к. малошумящие

по большому счету шумы схемы задаются только эквивалентными шумами по входу ОУ здесь и установленным Ку схемы, потому что все эти транзисторы охвачены оос за счет ОУ

Добавлено after 1 hour 44 minutes 15 seconds:
чуток сам не заметил/забыл, из-за R4 1k оно будет переходить в корявый АБ, когда на R4 падение станет ниже порога открытия транзистора, то есть надо следить за током покоя самого ВК

и если 50 мА ток покоя ВК, то 100 мА в нагрузку, это 3,2 Вольта без отсечки в 32 Ом

а я запустил симуляцию самого ВК без опера, смотрю, что-то нижнюю волну плющит....

но ток все равно будет ограничен на выходе
Вложения
5532-jlh-headamp.PNG
(6.16 KiB) Скачиваний: 225

Re: Мелкие вопросы по УНЧ.

Ср фев 04, 2026 22:48:04

Изображение
Я такой делал, на современных транзисторах свистит аж на ДМВ, пришлось давить коррекцией... :dont_know: :))

Re: Мелкие вопросы по УНЧ.

Ср фев 04, 2026 22:57:16

Может быть, лучше просто TDA2050 использовать ?

Re: Мелкие вопросы по УНЧ.

Ср фев 04, 2026 23:26:38

Но ведь поэкспериментировать-то хочется?! :))

Re: Мелкие вопросы по УНЧ.

Ср фев 04, 2026 23:57:10

as265 писал(а):усиление излишне, потому что 2 вольта на наушники это минус уши считай оглох
Сопротивление наушников бывает разное. бывает и 320Ом. но как правило 64 и меньше.
А вообще соглашусь. Я сегодня на меньше чем на 2х вольтах 5 минут послушал, ухо заболело. И это при том, что слух (акустический, а не музыкальный) снижен..

что же касается моей схемы, то что-то у нее с устойчивостью при работе на реактивную нагрузку. Если цобель отключить - заводится на пиках.
если включить один канал или на резистор, то всё отлично собрал 2 канала. тоже стабильно, но стоило мне подключить наушники с 3хметровым проводом...
наверное опять с трассировкой накосячил ((
Ответить